
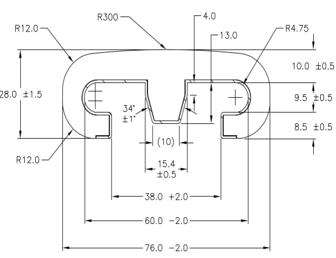
75V SBR Handrail
August 4, 2025
by
LOOP - Handlauf Vulkanisierung GmbH, Richard Cardinaal
in Drawings